Магазин запчастей для бытовой техники - Arlos
Москва
close
Выберите ваш регион
АбаканАлександровАльметьевскАнгарскАрзамасАрмавирАртемАрхангельскАстраханьАчинскБалаковоБалашихаБеларусьБелгородБердскБерезникиБийскБлаговещенскБратскБрянскВеликий НовгородВидноеВладивостокВладикавказВладимирВолгоградВолгодонскВолжскийВологдаВолховВоркутаВоронежВоскресенскВыборгГатчинаГеленджикГрозныйДедовскДербентДзержинскДзержинскийДимитровградДмитровДолгопрудныйДомодедовоДонецкЕвпаторияЕгорьевскЕкатеринбургЕлецЕссентукиЖелезногорскЖелезнодорожныйЖуковскийЗеленоградЗлатоустИвановоИвантеевкаИжевскИркутскИстраЙошкар-ОлаКазаньКалининградКалугаКаменск-УральскийКамышинКаспийскКемеровоКерчьКировКисловодскКлинКовровКоломнаКомсомольск-на-АмуреКопейскКоролёвКостромаКотельникиКрасногорскКраснодарКраснознаменскКрасноярскКурганКурскКызылЛенинск-КузнецкийЛипецкЛобняЛыткариноЛюберцыМагнитогорскМайкопМалаховкаМахачкалаМиассМоскваМурманскМуромМытищиНабережные ЧелныНазраньНальчикНаро-ФоминскНахабиноНаходкаНевинномысскНефтекамскНефтеюганскНижневартовскНижнекамскНижний НовгородНижний ТагилНовокузнецкНовокуйбышевскНовомосковскНовороссийскНовосибирскНовоуральскНовочебоксарскНовочеркасскНовошахтинскНовый УренгойНогинскНорильскНоябрьскОбнинскОдинцовоОктябрьскийОмскОрелОренбургОрехово-ЗуевоОрскПавловский ПосадПензаПервоуральскПермьПетрозаводскПетропавловск-КамчатскийПодольскПрокопьевскПсковПушкиноПятигорскРаменскоеРеутовРостов-на-ДонуРубцовскРыбинскРязаньСакиСалаватСамараСанкт-ПетербургСаранскСаратовСевастопольСеверодвинскСеверскСергиев ПосадСерпуховСимферопольСмоленскСосновый БорСочиСтавропольСтарый ОсколСтерлитамакСтупиноСургутСызраньСыктывкарТаганрогТамбовТверьТихвинТольяттиТомилиноТомскТроицкТулаТюменьУлан-УдэУльяновскУссурийскУсть-ИлимскУфаУхтаФеодосияФрязиноХабаровскХанты-МансийскХасавюртХимкиЧебоксарыЧелябинскЧереповецЧеркесскЧеховЧитаШахтыЩелковоЭлектростальЭлистаЭнгельсЮжно-СахалинскЯкутскЯлтаЯрославль
  • - бесплатно по РФ
    Автоперезвон. Работает по принципу: Вы позвонили на номер, мы сбрасываем звонок и перезваниваем через 3 секунды.
  • - по Москве
  • 8 (925) 663-83-63

Call-центр

пн-вс: 10:00-19:00

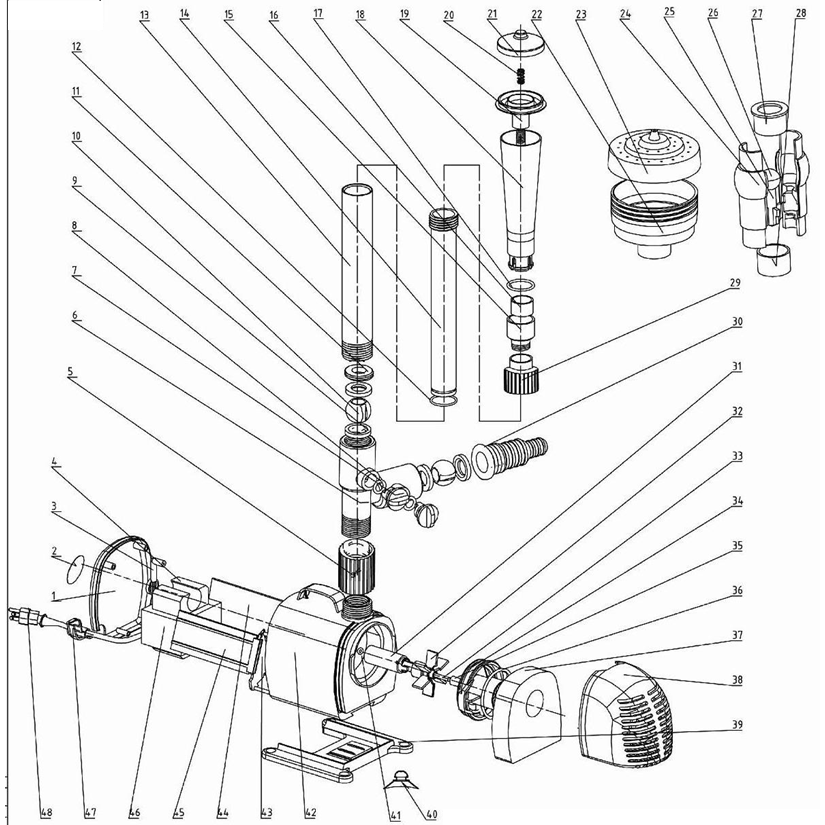
Насос фонтанный ЗНФЧ-60-4.2

Данная модель имеет несколько схем

NАртикулНазваниеСрок отгрузкиЦенаКупить
1 N000-015-900 Крышка задняя
2 N000-015-901 Табличка
3 N000-015-902 Трубка воздушная
4 N000-015-903 Соленоид
5 N000-015-904 Гайка
6 N000-015-905 Тройник
7 N000-015-906 Ручка крана
8 N000-015-907 Кольцо уплотнительное d2хd12
9 N000-015-908 Прокладка
10 N000-015-909 Шарик крана
11 N000-015-910 Шайба
12 N000-015-911 Кольцо уплотнительное
13 N000-015-912 Трубка удлинительная
14 N000-015-913 Трубка средняя
15 N000-015-914 Переходник P150
16 N000-015-915 Втулка Р150
17 N000-015-916 Кольцо уплотнительное d3хd25
18 N000-015-917 Патрубок Р150
19 N000-015-918 Вставка Р150
20 N000-015-919 Пружина Р150
21 N000-015-920 Распылитель Р150
22 N000-015-921 Патрубок Р250
23 N000-015-922 Распылитель Р250
24 N000-015-923 Часть патрубка P350
25 N000-015-924 Шток распылителя P350
26 N000-015-925 Шарик распылителя P350
27 N000-015-926 Втулка P350 обжимная верхняя
28 N000-015-927 Втулка P350 обжимная нижняя
29 N000-015-928 Втулка резьбовая
30 N000-015-929 Штуцер ″елочка″
31 N000-015-930 Ротор
32 N000-015-931 Крыльчатка
33 N000-015-932 Ось
34 N000-015-933 Крышка крыльчатки
35 N000-015-934 Втулка
36 N000-015-935 Кольцо уплотнительное d3хd58
37 N000-015-936 Фильтр
38 N000-015-937 Крышка передняя
39 N000-015-938 Основание
40 N000-015-939 Опора резиновая
41 N000-015-940 Шайба D8хd4.5хh0.5 (HPb59-1)
42 N000-015-941 Корпус
43 N000-015-942 Прокладка
44 N000-015-943 Прокладка боковая
45 N000-015-944 Прокладка боковая
46 N000-015-945 Рама
47 N000-015-946 Держатель кабеля
48 N000-015-947 Кабель с вилкой
Найдено товаров: 48
1
▲ Наверх
0
8 (925) 663-83-63

Call-центр

пн-вс: 10:00-19:00

НАЙТИ ПО МОДЕЛИ
Введите номер заказа
Введите номер своего заказа, что бы узнать его текущий статус.
Что бы получить доступ к расширенным функциям, пройдите не сложную регистрацию. Зарегистрироваться